OpenCores

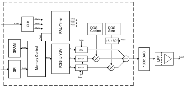
MiniGA - High Quality PAL Encoder

This page contains files uploaded to the old opencores website as well as images and documents intended for use on other pages in this project. If you want to download this project or browse its svn, you can do so at the overview-page.
DateFileDescription
2007-03-25 14:11Latest revisionComplete CVS snapshot of this project
DescriptionEmbedd-tagPreviewDate
TitleShowLink2016-01-19 13:32
blockschaltbildShowLink2016-01-19 13:33
flowersShowLink2016-01-19 13:33
graphitiShowLink2016-01-19 13:33
graphitibShowLink2016-01-19 13:33
tflowersShowLink2016-01-19 13:34
testbildShowLink2016-01-19 13:41